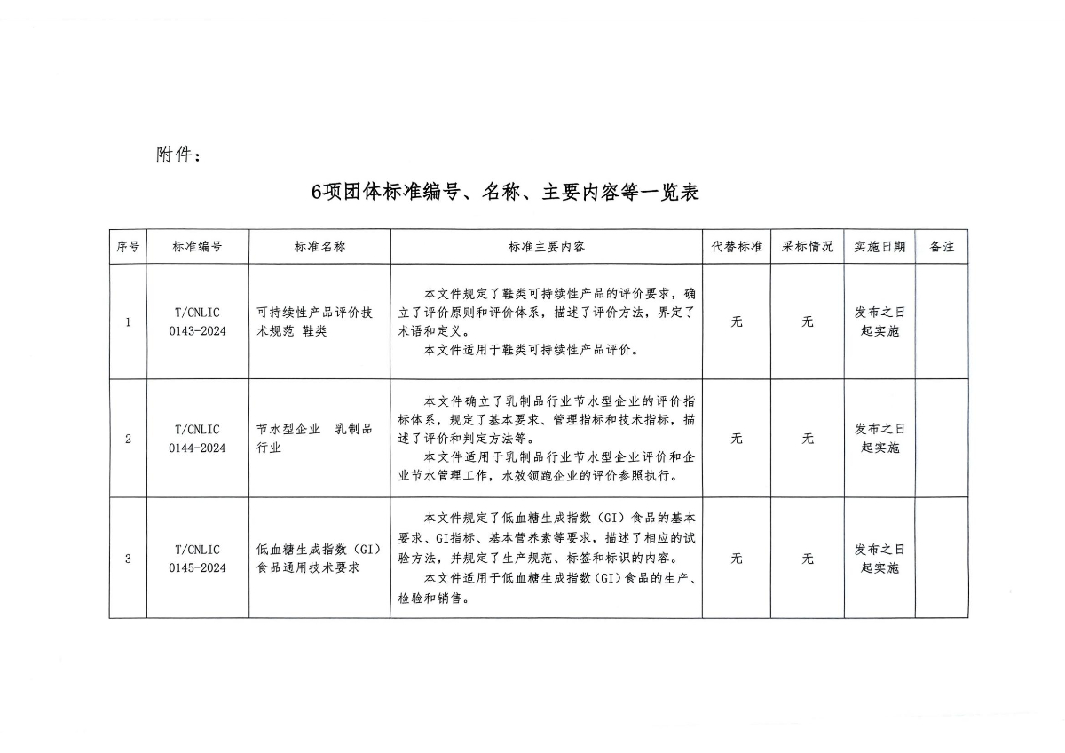
关于批准发布《可持续性产品评价技术规范 鞋类 》等6项团体标准的公告

2024-07-02 来源:


附件下载:
1、

                                                                                 nba优米在线观看                                                                                                                                                                                                                                                                                                                                                                                                                                                                                                                                                            YO米直播足球足协杯                  yo米直播赛事                                                                                                                              yo米直播足球                                                                                          YO米直播世界杯                                                                                                                                                                                                                                                                                                                                                                                                                                                                                                                      

Baidu
YO米直播体育